產品參數
產品詳情
一、產品概述:
雷達液位計天線發射及窄的微波脈沖,這個脈沖以光速在空間傳播,遇到被測介質表面,其部分能量被反射回來,被同一天線接收。發射脈沖與接收脈沖的時間間隔與天線到被測介質表面的距離成正比。由于電磁波的傳播速度極高,發射脈沖與接收脈沖的時間間隔很小(納秒量級)很難確認,20X系列26G雷達液位計采用一種特殊的解調技術,可以準確識別發射脈沖與接收脈沖的時間間隔,從而進一步計算出天線到被測介質表面的距離。

二、技術優勢:
1.波束角小,能量集中,具有更強抗干擾能力,大大提高了測量精度和可靠性
2.天線尺寸小,便于安裝和加防塵罩等天線防護裝置
3.重量輕約1KG,便于安裝
4.測量范圍最高可達70米,覆蓋大型水庫等水位測量
5.多種輸出電路接口與采集系統配合
6.采用脈沖工作方式,雷達液位計發射功率極低,對人體及環境均無傷害
三、技術參數

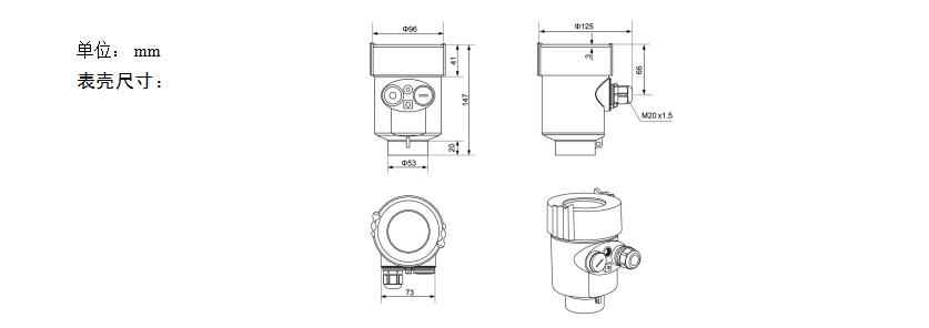
四、結構尺寸




2026-02-25
2026-02-06
2025-05-09
2025-05-09
029-88621754
掃碼加微信
官方抖音
西安市高精密儀表版權所有 Copyright(c)2015 All Rights Reserved 陜ICP備16020148號-3